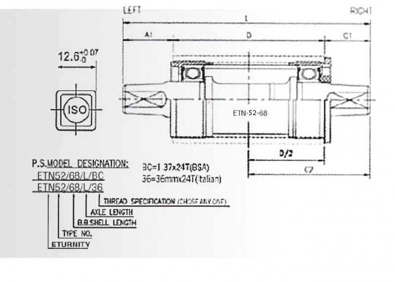
| BPSL01S | Left Steel Cup 1.37" x 24T(BSA) | 1 |
| BPSL016S | Left Steel Cup 36mm x 24T(Italian) | (1) |
| BPSR01S | Right Steel Cup 1.37" x 24T(BSA) | 1 |
| BPSR04S | 52E-Right Steel Cup 1.37" x 24T(BSA) | (1) |
| BPSR016S | Right Steel Cup 36mm x24T(Italian) | (1) |
| BPSR046S | 52E-Right Steel Cup 36mm x24T(Italian) | (1) |
| SLS01 | Steel Sleeve 42mm(ETN-52/68/L) | 1 |
| SLS02 | Steel Sleeve 42mm(ETN-52R/68/L) | (1) |
| SB170310100B0 | Sealed Bearing 17 x 31 x 10mm | 2 |
| STS01 | Stopper 2.5mm(Standard for 52/68/103) | 1 |
| STS02 | Stopper 2.5mm(Standard for 52/68/107) | (1) |
| STS03 | Stopper 2.5mm(Standard for 52/68/113.5) | (1) |
| STS04 | Stopper 2.5mm(Standard for 52/68/115 | (1) |
| STS05 | Stopper xx.xmm(Option for other lengths) | (1) |
| AST | ISO Square Cotterless Axle Bolt Type | 1 |
| Sets |
8 pcs with bolts 9 pcs with stopper |
|
| Rotator | Sealed Bearing (SB170310100B0) | |
| For | BMX, MTB and ATB | |
| BB Shell | 68mm, 70mm, 73mm | |
| Material | Steel(Sleeve, Stopper, BB cup), AST (Axle) | |
| Finish | B, P | |
| Weight | 346±2g (ETN-52/D-68/L-118 Bolt Type Axle) |
| ENC: with bolt(M8xP1.0x16.5mm) |
| ENM: with Nylok bolts (M8xP1.0x16.5mm) |
Copyright 2021 ETURNITY Corp. All Right Reserved. / Design: Jukes